Cr18Ni13Mo3不銹鋼用作外(wai)科植入(ru)物的制造(zao),表面經(jing)香蕉視頻app破解碼:機械拋光香蕉視頻app破解碼:電化學拋光香蕉視頻app破解碼:化學鈍化,工藝還(huan)不夠(gou)完善,特別(bie)是鈍(dun)化(hua)工藝,行業(ye)內的差距很大。為此,齊寶芬對外(wai)科植入物不銹鋼(gang)產品(pin)的鈍(dun)化(hua)條件進行了實驗探索,得出(chu)一些(xie)實際使(shi)用的結果。


1. 鈍化液的選擇(ze)


  試樣材料為Cr18Ni13Mo3、Cr18Ni14Mo3、Cr18Ni15Mo3等制(zhi)作的(de)骨(gu)(gu)連接用(yong)(yong)接骨(gu)(gu)板、接骨(gu)(gu)螺釘及髓內釘(梅花針(zhen))。實驗鈍(dun)(dun)化(hua)(hua)(hua)(hua)液(ye)的(de)兩種配(pei)方(fang)見表(biao)(biao)6-2,表(biao)(biao)6-2列出不(bu)(bu)銹鋼產(chan)品(pin)(pin)30℃鈍(dun)(dun)化(hua)(hua)(hua)(hua)后(hou)的(de)表(biao)(biao)面點(dian)蝕電位(wei)(mV),試樣經機械拋(pao)(pao)光(800#砂紙(zhi)+布拋(pao)(pao)光)、清洗(xi)、干燥后(hou)分(fen)別放入兩類(lei)鈍(dun)(dun)化(hua)(hua)(hua)(hua)液(ye)中,鈍(dun)(dun)化(hua)(hua)(hua)(hua)后(hou)測定不(bu)(bu)銹鋼的(de)耐腐(fu)蝕性(xing)能(neng)Eb值(zhi)(表(biao)(biao)面點(dian)蝕電位(wei))。如表(biao)(biao) 6-2 的(de)Eb值(zhi)所示,兩種鈍(dun)(dun)化(hua)(hua)(hua)(hua)液(ye)在相同(tong)條件下(xia)鈍(dun)(dun)化(hua)(hua)(hua)(hua)的(de)樣品(pin)(pin)點(dian)蝕電位(wei)Eb值(zhi)都(dou)無明最差異。理論(lun)上,目(mu)(mu)前(qian)對鈍(dun)(dun)化(hua)(hua)(hua)(hua)膜(mo)(mo)的(de)成(cheng)(cheng)膜(mo)(mo)機理有多種解釋(shi),其中之一是產(chan)品(pin)(pin)鈍(dun)(dun)化(hua)(hua)(hua)(hua)后(hou)表(biao)(biao)面為含(han)(han)有鉻的(de)氧化(hua)(hua)(hua)(hua)膜(mo)(mo),鉻的(de)存在對形(xing)成(cheng)(cheng)氧化(hua)(hua)(hua)(hua)膜(mo)(mo)起重要作用(yong)(yong)。不(bu)(bu)銹鋼產(chan)品(pin)(pin)含(han)(han)鉻量為17%~20%,有是夠的(de)鉻參與成(cheng)(cheng)膜(mo)(mo),故鈍(dun)(dun)化(hua)(hua)(hua)(hua)液(ye)中是否(fou)加(jia)入重鉻酸鉀(K2C2O3)對鈍(dun)(dun)化(hua)(hua)(hua)(hua)膜(mo)(mo)的(de)性(xing)能(neng)影響不(bu)(bu)大。目(mu)(mu)前(qian)英美等國(guo)對外科植入物不(bu)(bu)銹鋼產(chan)品(pin)(pin)的(de)純(chun)化(hua)(hua)(hua)(hua)也都(dou)共同(tong)推薦硝(xiao)酸水溶液(ye)的(de)鈍(dun)(dun)化(hua)(hua)(hua)(hua)配(pei)方(fang)。


表 2.jpg




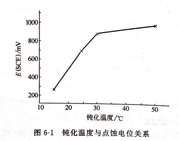
2. 鈍化液(ye)溫度的(de)選(xuan)擇


  化(hua)學反(fan)應速率隨溫(wen)(wen)度的(de)(de)升(sheng)高(gao)而加快。鈍(dun)化(hua)液中硝酸(suan)隨溫(wen)(wen)度的(de)(de)升(sheng)高(gao)而揮發增(zeng)大(da)。因(yin)此,基于(yu)實(shi)際可操作性(xing)(xing)為原(yuan)則,選擇溫(wen)(wen)度在(zai)50℃以下。實(shi)驗(yan)在(zai)硝酸(suan)20%,時(shi)間2小時(shi),不(bu)同的(de)(de)溫(wen)(wen)度鈍(dun)化(hua)后(hou)測出不(bu)銹鋼的(de)(de)點蝕(shi)電(dian)位Eb,見圖(tu)6-1,從曲(qu)線可見,50℃時(shi)的(de)(de)點蝕(shi)電(dian)位最高(gao),30℃時(shi)的(de)(de)點蝕(shi)電(dian)位稍低(di),30℃以下的(de)(de)點蝕(shi)電(dian)位急(ji)劇下降(jiang),30℃以下的(de)(de)溫(wen)(wen)度不(bu)可取,50℃時(shi)的(de)(de)產(chan)品耐蝕(shi)性(xing)(xing)最好。


圖 1.jpg




3. 鈍化時間的(de)選擇


①. 實驗(yan)是在25%硝酸(suan)+2.5%重鉻酸(suan)鉀的鈍化(hua)(hua)(hua)液中,溫度30℃時,鈍化(hua)(hua)(hua)時間分別為(wei)2h、4h、6h、12h的條件下(xia)鈍化(hua)(hua)(hua)后,在0.9%氯化(hua)(hua)(hua)鈉水(shui)溶液中于(37±1)℃電化(hua)(hua)(hua)學測試得樣(yang)品的點(dian)蝕(shi)電位,見圖(tu)6-2。


  從圖6-2可見,鈍化6小時的(de)點(dian)蝕(shi)電(dian)(dian)位達到最(zui)高值,且平行試樣測試中的(de)點(dian)蝕(shi)電(dian)(dian)位重現性(xing)(xing)好(hao),產品(pin)耐蝕(shi)性(xing)(xing)能穩定(ding)。若鈍化時間(jian)過短(duan),如2小時,則同批產品(pin)中鈍化性(xing)(xing)能質量不(bu)穩定(ding),點(dian)蝕(shi)電(dian)(dian)位差異(yi)較大(da)。


圖 2.jpg


②. 第二個(ge)實驗是(shi)在20%硝酸鈍(dun)化(hua)液(ye)中,鈍(dun)化(hua)溫度(du)為50℃下,選擇不同的時間鈍(dun)化(hua)后,其在相同的條件(jian)下測(ce)得的點蝕電位見圖(tu)6-3。


從圖6-3可見,在鈍(dun)化(hua)溫度50℃,鈍(dun)化(hua)時間以30~60分鐘時的(de)點蝕電位高且穩定,鈍(dun)化(hua)性能好(hao)。



4. 外科植入不銹鋼產品鈍化工藝


 鈍化液應選用 20%~30%硝酸溶液,溫度(du)50℃時(shi)(shi)鈍化時(shi)(shi)間(jian)為 30~60分鐘(zhong),溫度(du)30℃時(shi)(shi)鈍化時(shi)(shi)間(jian)為6小時(shi)(shi)。