香蕉视频app破解码

哈氏合金|Hastelloy

哈氏合(he)金(jin)是一(yi)種鎳(nie)基耐(nai)腐(fu)蝕合(he)金(jin),主要分成鎳(nie)-鉻合(he)金(jin)與鎳(nie)鉻鉬合(he)金(jin)兩大類。哈氏合(he)金(jin)具有良好的抗(kang)腐(fu)蝕性和熱穩定性,多用于航空事業,化學領域等(deng)。哈氏合(he)金(jin)(Hastelloy alloy)就是美國哈氏合(he)金(jin)國際公司所生(sheng)產的鎳(nie)基耐(nai)蝕合(he)金(jin)的商業牌號的統稱。

產品分類 / 用途

00Mo28Ni65Fe5(Hastelloy B)


 0Mo28Ni65Fe5 、NS 321、Hastelloy B 合金的化學成分列入表3-4-1中


表 4-1.jpg


一、組織特(te)點(dian)


NS 321、Hastelloy B 合金固溶處理態為過飽和固溶體,在中溫時效態會有金屬間相,如Ni4Mo(β),Ni3Mo(γ),碳化物如Mo6C、M2C等在基體上和沿晶界析出,會對此合金的性能產生不利的影響。


二、耐腐蝕性能


 1. 全面(mian)腐蝕


  0Mo28Ni65Fe5、Hastelloy B 合金在所有(you)大(da)(da)(da)氣(qi)(qi)(qi)條件下(包括海洋和(he)工業大(da)(da)(da)氣(qi)(qi)(qi))都具(ju)有(you)較好的耐蝕性。表3-4-2列(lie)出(chu)了(le)在大(da)(da)(da)氣(qi)(qi)(qi)中(zhong)(zhong)放置12年和(he)23年后(hou)的試驗結果。在海洋大(da)(da)(da)氣(qi)(qi)(qi)中(zhong)(zhong),其腐蝕速(su)率僅為(wei)工業氣(qi)(qi)(qi)氛中(zhong)(zhong)的1/7,但其點(dian)蝕深度要比在工業氣(qi)(qi)(qi)氛中(zhong)(zhong)深一些(xie)。


表 4-2.jpg


  在天(tian)然水和(he)高純(chun)水中,0Mo28Ni65Fe5 、Hastelloy B 合金(jin)耐(nai)蝕(shi)性(xing)(xing)能極佳。例如,在河(he)水,井(jing)水等天(tian)然水中,腐(fu)蝕(shi)速率一(yi)般≤0.025mm/a.在海水中,當處于(yu)靜止或(huo)流速較慢的狀(zhuang)態時,0Mo28Ni65Fe5 合金(jin)的耐(nai)全(quan)面腐(fu)蝕(shi)性(xing)(xing)能較純(chun)鎳稍低,但耐(nai)點蝕(shi)和(he)縫(feng)隙腐(fu)蝕(shi)性(xing)(xing)要(yao)優(you)于(yu)純(chun)鎳。


  在各種酸(suan)介(jie)質(zhi)中(zhong)的耐蝕性(xing)見圖3-4-12~圖3-4-16 及表3-4-3~表3-4-19。


  ①. 在硫(liu)酸中(zhong) 


   在(zai)不充空氣(qi)的(de)(de)和非氧化性的(de)(de)硫(liu)酸(suan)中(zhong)(zhong),耐蝕(shi)性是非常好的(de)(de),可應用的(de)(de)濃度(du)(du)(du)、溫度(du)(du)(du)范圍相當(dang)寬。例(li)如,在(zai)100℃以(yi)下所(suo)有濃度(du)(du)(du)的(de)(de)硫(liu)酸(suan)中(zhong)(zhong),0Mo28Ni65Fe5 合金(jin)的(de)(de)腐蝕(shi)速率小于0.125mm/a;在(zai)115℃以(yi)下的(de)(de)任何(he)濃度(du)(du)(du)硫(liu)酸(suan)中(zhong)(zhong)≤5mm/a;在(zai)沸(fei)騰溫度(du)(du)(du)以(yi)下的(de)(de)硫(liu)酸(suan)中(zhong)(zhong),0Mo28Ni65Fe5合金(jin)的(de)(de)耐硫(liu)酸(suan)腐蝕(shi)的(de)(de)濃度(du)(du)(du)可達(da)60%;濃度(du)(du)(du)再高(gao),由于硫(liu)酸(suan)本身的(de)(de)高(gao)氧化性,0Mo28Ni65Fe5 合金(jin)要受到嚴(yan)重腐蝕(shi)。在(zai)稀(xi)硫(liu)酸(suan)中(zhong)(zhong),0Mo28Ni65Fe5合金(jin)的(de)(de)耐蝕(shi)性隨充人空氣(qi)而降(jiang)低,且當(dang)硫(liu)酸(suan)濃度(du)(du)(du)在(zai)5%~10%時最為明顯(xian)。圖(tu)3-4-12 和表3-4-3系(xi)一些試驗結果。


圖 4-12.jpg


表 4-3.jpg


   在生產醇類過程(cheng)中,也常(chang)常(chang)遇到(dao)濃(nong)度為45%~65%,溫(wen)度115~120℃的(de)硫酸。采(cai)用(yong)其(qi)他材料(liao),例(li)如不銹鋼、鎳基(ji)或銅基(ji)合金,在靜止和低(di)流(liu)(liu)速(su)條(tiao)件下,腐蝕速(su)率(lv)可≤0.5mm/a.但(dan)在高流(liu)(liu)速(su)、高溫(wen)條(tiao)件下,腐蝕速(su)率(lv)要超過2.5mm/a.然而,0Mo28Ni65Fe5合金在45%~65% 硫酸,115℃的(de)工廠(chang)試驗條(tiao)件下的(de)結果表(biao)明,其(qi)腐蝕速(su)率(lv)僅為1mm/a。


   硫酸也常常用(yong)(yong)(yong)于石油產品的(de)(de)精煉以(yi)去除樹脂、瀝青或(huo)類膠物質。0Mo28Ni65Fe5合(he)金在此種條件(jian)下(xia)的(de)(de)耐蝕性也是非(fei)常好的(de)(de),見表 3-4-4,用(yong)(yong)(yong) 0Mo28Ni65Fe5 合(he)金鑄造的(de)(de)泵(beng)、閥等部件(jian)是適(shi)用(yong)(yong)(yong)的(de)(de)。


表 4-4.jpg

   向硫酸中加入氧化性鹽(硝酸鹽、鉻酸鹽、高錳酸鹽等)和其他氧化性離子(Fe3+、Ca2+等),會顯著提高0Mo28Ni65Fe5、Hastelloy B 合金的腐蝕速率,且溫度越高越嚴重。因此,0Mo28Ni65Fe5合金一般不允許在這些條件下使用,除非氧化性鹽和氧化性離子的濃度很低,不足以影響0Mo28Ni65Fe5合金的耐蝕性。表3-4-5系硫酸中含銅時對0Mo28Ni65Fe5合金耐蝕性的影響。顯然,在含銅的硫酸中或銅有可能進入硫酸的條件下,選用0Mo28Ni65Fe5 合金是不適宜的。此外,0Mo28Ni65Fe5 合金與碳、石墨等接觸也會由于產生電偶腐蝕而使它迅速破壞,表3-4-6示出了試驗結果。由于石墨也是耐硫酸性能很好的非金屬材料,因此,當0Mo28Ni65Fe5 合金與石墨同時使用時,要注意防止這種電偶腐蝕的產生。


表 4-5.jpg


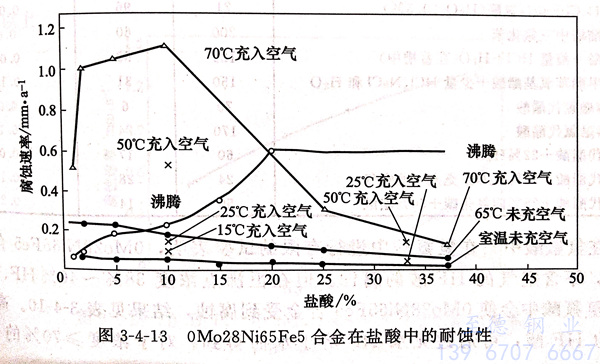
  ②. 在(zai)鹽酸中(zhong)


   在未(wei)充入(ru)空氣的鹽(yan)酸(suan)中,0Mo28Ni65Fe5、Hastelloy B 合(he)金(jin)在常(chang)壓下任(ren)何(he)濃度(du)、任(ren)何(he)溫度(du)下都是(shi)耐(nai)(nai)蝕的。Ni-Mo耐(nai)(nai)蝕合(he)金(jin)包(bao)括0Mo28Ni65Fe5 在內是(shi)耐(nai)(nai)鹽(yan)酸(suan)性能最好的一類(lei)合(he)金(jin)。作為耐(nai)(nai)鹽(yan)酸(suan)的金(jin)屬材料,目(mu)前也只有金(jin)屬鉬、鋯、鎢、鉭的耐(nai)(nai)蝕性能超過Ni-Mo耐(nai)(nai)蝕合(he)金(jin)。


   圖3-4-13和表(biao)3-4-7系0Mo28Ni65Fe5合(he)金在(zai)鹽(yan)酸中(zhong)的(de)試驗結(jie)果(guo)。從(cong)這(zhe)些(xie)(xie)結(jie)果(guo)可(ke)(ke)以(yi)(yi)看出,0Mo28Ni65Fe5合(he)金的(de)耐蝕性(xing)受(shou)鹽(yan)酸中(zhong)有(you)(you)無空氣(qi)存在(zai)的(de)影響很大;當(dang)酸中(zhong)有(you)(you)空氣(qi)存在(zai)時(shi),對0Mo28Ni65Fe5 合(he)金的(de)耐蝕性(xing)的(de)不(bu)良影響以(yi)(yi)鹽(yan)酸濃度(du)5%~10%時(shi)最為明顯。表(biao)3-4-8系在(zai)氣(qi)相中(zhong)充氮(dan)和充氧(yang)十氮(dan)時(shi)的(de)試驗結(jie)果(guo),同(tong)樣可(ke)(ke)看出氧(yang)的(de)不(bu)良影響。某些(xie)(xie)有(you)(you)機和無機含水氯化物處理過程中(zhong)會有(you)(you)鹽(yan)酸產(chan)生。在(zai)一些(xie)(xie)氯化碳氫化物條件下,熱蒸汽的(de)冷凝(ning)可(ke)(ke)以(yi)(yi)產(chan)生較高濃度(du)的(de)鹽(yan)酸,0Mo28Ni65Fe5 合(he)金在(zai)這(zhe)些(xie)(xie)條件下的(de)試驗結(jie)果(guo)見(jian)表(biao)3-4-9。


圖 4-13.jpg


表 4-7.jpg


   當鹽(yan)酸(suan)中(zhong)有氧化性鹽(yan),例如銅、鐵、汞(gong)鹽(yan)時,0Mo28Ni65Fe5 合(he)金的(de)(de)耐蝕性要下降(jiang),而且(qie)酸(suan)的(de)(de)溫度(du)越(yue)高越(yue)明(ming)顯。在10%鹽(yan)酸(suan)中(zhong),不同溫度(du)所允許的(de)(de)FeCl3的(de)(de)濃度(du)限為(wei):室溫1290ppm; 65℃ 330ppm; 沸騰溫度(du)26ppm.


  ③. 在氫氟酸中 


  在氫氟酸中(zhong)(zhong)進行有(you)限的(de)(de)(de)(de)試驗表明,0Mo28Ni65Fe5、Hastelloy B 合金可耐≤100℃,不(bu)含空氣的(de)(de)(de)(de)HF酸的(de)(de)(de)(de)腐(fu)蝕。但在恒沸點(dian)濃(nong)度(du)(du)38%~40%HF、沸騰為115℃的(de)(de)(de)(de)氫氟酸中(zhong)(zhong)會使(shi)0Mo28Ni65Fe5合金受到腐(fu)蝕,結果(guo)見表3-4-10。高于恒沸點(dian)濃(nong)度(du)(du)的(de)(de)(de)(de)HF酸,可通(tong)過無水HF溶于水而得到。對(dui)于濃(nong)度(du)(du)≥70%的(de)(de)(de)(de)HF酸,0Mo28Ni65Fe5、Hastelloy B 合金的(de)(de)(de)(de)耐蝕性(xing)(xing)反而較(jiao)耐低濃(nong)度(du)(du)HF酸的(de)(de)(de)(de)性(xing)(xing)能要好(hao)。0Mo28N165Fe5合金在HF酸再生條件下的(de)(de)(de)(de)腐(fu)蝕情況見表3-4-11,顯然(ran),此合金的(de)(de)(de)(de)耐蝕性(xing)(xing)良好(hao)。


表 4-10.jpg


  ④. 在磷(lin)酸中(zhong) 


   0Mo28Ni65Fe5、Hastelloy B 合金耐H3PO4腐蝕,一些試驗結果見圖3-4-14及表3-4-12和表3-4-13.由圖表可知除充入空氣時和加壓高溫下,0Mo28Ni65Fe5耐蝕性稍有降低外,其耐H3OP4性能是良好的。但是,0Mo28Ni65Fe5 合金不耐濕法H3PO4的腐蝕,因為,酸中含有氫氟酸、氫氟硅酸、殘余的硫酸以及鐵鹽和鋁鹽,此種酸在本質上呈氧化性,使0Mo28Ni65Fe5合金的腐蝕速率可高達25mm/a以上。


圖 4-14.jpg


表 4-12.jpg


   ⑤. 在醋酸中


   在(zai)(zai)(zai)(zai)苛刻(ke)的(de)腐蝕條件下,即在(zai)(zai)(zai)(zai)未充(chong)空氣的(de)沸騰溫度下,在(zai)(zai)(zai)(zai)10%~50%濃(nong)度的(de)醋(cu)酸(suan)(suan)(suan)中,0Mo28Ni65Fe5合金(jin)的(de)腐蝕速率不(bu)超過0.125~0.150mm/a。當然(ran),醋(cu)酸(suan)(suan)(suan)中有空氣存在(zai)(zai)(zai)(zai),同樣加(jia)(jia)速此合金(jin)的(de)腐蝕。但是在(zai)(zai)(zai)(zai)純的(de)高濃(nong)度醋(cu)酸(suan)(suan)(suan)或者冰(bing)醋(cu)酸(suan)(suan)(suan)中,充(chong)人(ren)空氣對0Mo28Ni65Fe5 合金(jin)的(de)耐(nai)蝕性影響則很小。向醋(cu)酸(suan)(suan)(suan)中加(jia)(jia)入NaCl時(shi),將有少量(liang)HC1酸(suan)(suan)(suan)形成。雖然(ran)稍提(ti)高0Mo28Ni65Fe5合金(jin)的(de)腐蝕速率,但由于0Mo28Ni65Fe5合金(jin)的(de)耐(nai)鹽(yan)酸(suan)(suan)(suan)性能良好,故影響并不(bu)顯著。表3-4-14系0Mo28Ni65Fe5 合金(jin)在(zai)(zai)(zai)(zai)醋(cu)酸(suan)(suan)(suan)中的(de)耐(nai)蝕性。

  

表 4-14.jpg

  ⑥. 在(zai)甲酸中


  此種算對 0Mo28Ni65Fe5、Hastelloy B 合(he)(he)金(jin)(jin)的腐蝕(shi)較醋酸(suan)嚴重。通入空(kong)氣和酸(suan)中(zhong)有(you)氧化劑存(cun)在(zai)同樣加速 0Mo28Ni65Fe5、Hastelloy B 合(he)(he)金(jin)(jin)的腐蝕(shi)。在(zai)甲(jia)酸(suan)中(zhong)的試(shi)驗結果(guo)見(jian)圖3-4-15。在(zai)其(qi)他有(you)機酸(suan)中(zhong):試(shi)驗結果(guo)見(jian)表(biao) 3-4-15。


表 4-15.jpg


  ⑦. 在(zai)堿(jian)和鹽中 


    試驗表明,0Mo28Ni65Fe5、Hastelloy B 合金在濃度≤70%NaOH、溫度≤120℃條件下,其腐蝕速率僅為0.050mm/a;在沸點為165℃的60%NaOH和沸點為191℃的70%NaOH中,其腐蝕速率≤0.50mm/a;在100~180℃,濃度為60%的Na2S溶液中,腐蝕速率為0.55mm/a。


    在(zai)一些中(zhong)性(xing)和(he)堿(jian)性(xing)非(fei)氧(yang)化(hua)(hua)(hua)性(xing)鹽(yan)中(zhong),0Mo28Ni65Fe5 合金的(de)耐蝕(shi)性(xing)良好。在(zai)非(fei)氧(yang)化(hua)(hua)(hua)性(xing)酸性(xing)鹽(yan)中(zhong)(氯化(hua)(hua)(hua)物、硫酸鹽(yan)和(he)氟(fu)化(hua)(hua)(hua)物鹽(yan))的(de)試(shi)驗結果(guo)見(jian)表3-4-16,顯然,0Mo28Ni65Fe5 合金也是耐蝕(shi)的(de)。但是,在(zai)氧(yang)化(hua)(hua)(hua)性(xing)酸性(xing)鹽(yan)中(zhong),例如氯化(hua)(hua)(hua)鐵、氯化(hua)(hua)(hua)銅、硫酸鐵、硫酸銅等溶液中(zhong),0Mo28Ni65Fe5僅(jin)在(zai)非(fei)常稀的(de)溶液中(zhong)才耐蝕(shi);濃度(du)稍高,便會受到嚴重腐(fu)蝕(shi),一些試(shi)驗結果(guo)見(jian)表3-4-17。


表 4-16.jpg


  ⑧. 在鹵素元素及其氫化物氣體中 


  氟、氯(lv)(lv)、溴等鹵素(su)(su)元素(su)(su)中(zhong)(zhong),在(zai)氯(lv)(lv)化氫、氟化氫等高(gao)溫氣體(ti)中(zhong)(zhong),0Mo28Ni65Fe5合金(jin)的試驗結果見(jian)表(biao)3-4-18和圖3-4-16。由表(biao)可知,在(zai)干(gan)(gan)氯(lv)(lv)、干(gan)(gan)溴和高(gao)溫碘氣體(ti)中(zhong)(zhong),0Mo28Ni65Fe5合金(jin)是極耐蝕(shi)的,但在(zai)濕(shi)態下則(ze)腐(fu)(fu)蝕(shi)嚴重,不能選用(yong)。試驗表(biao)明,在(zai)CCl4 和 CoCl2 高(gao)溫氣體(ti)中(zhong)(zhong),0Mo28Ni65Fe5、Hastelloy B 合金(jin)的耐蝕(shi)性相對好,而且即使介質中(zhong)(zhong)含有(you)水(shui)分(fen),此(ci)合金(jin)也同樣耐腐(fu)(fu)蝕(shi),見(jian)表(biao) 3-4-19。


表 4-19.jpg


  0Mo28Ni65Fe5、Hastelloy B 合(he)金(jin)由于鉬(mu)含量高,且(qie)鉬(mu)的(de)氟化物易揮發,因此在高溫(wen)氟氣中,0Mo28Ni65Fe5是不耐蝕(shi)(shi)的(de)。例如(ru),在600℃,氟氣流量為(wei)75~100ml/min條件下,0Mo28Ni65Fe5合(he)金(jin)厚0.95mm的(de)試樣,經95h試驗(yan)(yan)后受到了(le)嚴重腐蝕(shi)(shi)。然而,在高溫(wen)HF氣中,0Mo28Ni65Fe5合(he)金(jin)則是耐蝕(shi)(shi)的(de)(在500~600℃ HF氣中,經36小時試驗(yan)(yan),其腐蝕(shi)(shi)速(su)率僅為(wei)0.050mm/a).


  ⑨. 在氧(yang)(空氣(qi))、硫、氣(qi)體中(zhong)


  由于0Mo28Ni65Fe5、Hastelloy B 合金不含鉻,而且鉬的氧化膜(例如,在此合金表面形成NiMoO4)在750℃條件下極易脫落。因而,0Mo28Ni65Fe5的高溫抗氧化性很差,也由于此合金不含鉻且鎳含量高,因而在含硫和硫化物的高溫氣體中耐蝕性不良。


 2. 晶間腐蝕


 0Mo28Ni65Fe5、Hastelloy B 合(he)金雖然固溶(rong)態耐(nai)蝕,特別是(shi)耐(nai)鹽(yan)酸、硫(liu)酸等(deng)的(de)(de)(de)性能很好,但是(shi)一(yi)旦經(jing)過(guo)焊接,再在鹽(yan)酸、硫(liu)酸中使(shi)用,則在焊縫(feng)處易出現(xian)(xian)刀口腐(fu)蝕,在熱(re)影響(xiang)區(qu)出現(xian)(xian)晶間(jian)腐(fu)蝕。圖3-4-17 和圖3-4-18 系一(yi)些試(shi)驗結果(guo)。由(you)圖可知(zhi),0Mo28Ni65Fe5 合(he)金有兩個敏(min)化(hua)(hua)區(qu):1200~1300℃的(de)(de)(de)高(gao)溫敏(min)化(hua)(hua)區(qu)和600~900℃的(de)(de)(de)中溫敏(min)化(hua)(hua)區(qu)。經(jing)過(guo)兩個敏(min)化(hua)(hua)區(qu)時,0Mo28Ni65Fe5合(he)金產(chan)生(sheng)晶間(jian)腐(fu)蝕,不僅使(shi)耐(nai)蝕性顯著(zhu)下降,而且還伴隨有硬度增加。0Mo28Ni65Fe5合(he)金的(de)(de)(de)晶間(jian)腐(fu)蝕不同于一(yi)般的(de)(de)(de)奧(ao)氏體不銹(xiu)鋼,即使(shi)是(shi)固溶(rong)處理且迅速冷卻也(ye)無法防止它(ta)的(de)(de)(de)產(chan)生(sheng)。表3-4-20系一(yi)些試(shi)驗結果(guo)。


圖 4-18.jpg


  研究表明,0Mo28Ni65Fe5 合金的晶間腐蝕與合金中析出相的成分、結構之間有著密切的關系。在≥1250℃高溫區,合金中的析出相有含量較高的M6C、M2C等碳化物以及。相:在550~900℃的中溫區,則有Ni-Mo金屬間相(高于850℃ 為Ni3Mo型,較低溫度則為Ni4Mo型)和M6C、M2C等碳化物。這些金屬間相和碳化物均含有較高的鉬,它們沿晶界的沉淀可引起鋁的嚴重貧化,從而導致0Mo28Ni65Fe5、Hastelloy B 合金的晶間腐蝕。同時,由于析出相的強化作用,合金的強度、硬度亦有所提高。


表 4-20.jpg


  為(wei)了(le)解決0Mo28Ni65Fe5合金(jin)(jin)的(de)晶間腐蝕問題(ti),曾研(yan)制出超低碳(tan)和低硅、低鐵(tie)(tie)的(de)新(xin)合金(jin)(jin) 00Mo28Ni68 和 含(han)釩(1.4%~2.2%)的(de)新(xin)合金(jin)(jin) 00Mo28Ni68V (Corronel 220,am814).除(chu)00Mo28Ni68(Hastelloy B2)獲得大量應用外,前(qian)述1990年(nian)以(yi)來控制或調整合金(jin)(jin)中鐵(tie)(tie)、鉻(ge)量而開發的(de) Hastelloy B3、B4和B10等引起了(le)人們的(de)廣泛關注。


三、力學性能


  0Mo28Ni65Fe5 合金的室溫和高溫瞬(shun)時力學性能見(jian)表3-4-21和表3-4-22。


表 4-21.jpg


四、物理(li)性(xing)能


  此(ci)合金物理常數見(jian)表3-4-23。0Mo28Ni65Fc5合金除作為(wei)耐蝕材料外(wai),還可作為(wei)電子管陰極材料,它具有(you)中(zhong)等激活性能(neng)和(he)較高的(de)發(fa)射(she)能(neng)力。


表 4-23.jpg


五(wu)、焊接性(xing)能

 

  0Mo28Ni65Fe5、Hastelloy B 合(he)(he)金可焊(han)(han)性好(hao),與(yu)一般奧氏體(ti)不銹鋼(gang)相近,可以采用(yong)工(gong)業(ye)上通用(yong)的方法(fa),例如TIG、MIG、手工(gong)電弧焊(han)(han)、電阻(zu)焊(han)(han)等進(jin)行焊(han)(han)接(jie)(jie)。但(dan)是(shi)能夠導(dao)致焊(han)(han)接(jie)(jie)過(guo)程(cheng)中(zhong)增碳(tan)(tan)的焊(han)(han)接(jie)(jie)方法(fa)則不宜采用(yong)。焊(han)(han)接(jie)(jie)用(yong)的填絲(si)其成分可與(yu)母(mu)材相同。由于此合(he)(he)金熱膨脹系(xi)數、電阻(zu)溫(wen)度(du)系(xi)數較普通碳(tan)(tan)鋼(gang)低,且導(dao)熱系(xi)數僅為(wei)普通碳(tan)(tan)鋼(gang)的1/4,因此,當與(yu)碳(tan)(tan)鋼(gang)進(jin)行異(yi)材焊(han)(han)接(jie)(jie)時要予以考慮。


六、冷熱加(jia)工及成(cheng)型性能


  0Mo28Ni65Fe5 系(xi)變形(xing)(xing)合金(jin),有(you)較(jiao)好(hao)的(de)冷(leng)(leng)熱加(jia)工和(he)成(cheng)(cheng)型性(xing)(xing)能。此(ci)合金(jin)的(de)熱加(jia)工以(yi)(yi)1000~1200℃為(wei)宜。經固(gu)溶(rong)處(chu)理(li)后,0Mo28Ni65Fe5合金(jin)具有(you)良好(hao)的(de)冷(leng)(leng)加(jia)工塑性(xing)(xing)和(he)冷(leng)(leng)成(cheng)(cheng)型性(xing)(xing)。當進行冷(leng)(leng)軋(ya)時,每(mei)個冷(leng)(leng)軋(ya)過程總壓下量可(ke)高達80%。隨冷(leng)(leng)軋(ya)變形(xing)(xing)量的(de)增加(jia),此(ci)合金(jin)的(de)硬度增加(jia),它們之間(jian)的(de)關(guan)系(xi)見圖3-4-19。此(ci)合金(jin)的(de)冷(leng)(leng)成(cheng)(cheng)型較(jiao)一般(ban)Cr-Ni奧(ao)氏體不銹鋼需(xu)更多(duo)次的(de)中間(jian)退火,以(yi)(yi)使此(ci)合金(jin)的(de)塑性(xing)(xing)得以(yi)(yi)回復(fu)。冷(leng)(leng)成(cheng)(cheng)型后均需(xu)要熱處(chu)理(li)。



圖 4-19.jpg


七、熱(re)處理工藝


  無論(lun)是(shi)(shi)變形(xing)材還是(shi)(shi)鑄件,對(dui)于(yu)0Mo28Ni65Fe5合(he)金(jin)的(de)(de)(de)(de)使用狀態一般(ban)是(shi)(shi)固(gu)溶(rong)態。因(yin)為此時合(he)金(jin)具有最佳的(de)(de)(de)(de)耐蝕性(xing)(xing)、強韌性(xing)(xing)的(de)(de)(de)(de)良(liang)好(hao)配合(he)。當(dang)然,冷(leng)加(jia)工或冷(leng)成型的(de)(de)(de)(de)中(zhong)(zhong)間(jian)退(tui)火也可在低于(yu)固(gu)溶(rong)溫(wen)(wen)度(du)(du)下進(jin)行(xing),一般(ban)0Mo28Ni65Fe5合(he)金(jin)適(shi)宜(yi)的(de)(de)(de)(de)固(gu)溶(rong)處(chu)(chu)理溫(wen)(wen)度(du)(du)為1150~1170℃,加(jia)熱保(bao)(bao)溫(wen)(wen)后(hou)進(jin)行(xing)快(kuai)冷(leng)(水冷(leng)或快(kuai)速空冷(leng));中(zhong)(zhong)間(jian)退(tui)火溫(wen)(wen)度(du)(du)可在1000~1100℃下進(jin)行(xing)。此合(he)金(jin)的(de)(de)(de)(de)再結晶溫(wen)(wen)度(du)(du)為950~1100℃。圖(tu)3-4-20系(xi)0Mo28Ni65Fe5合(he)金(jin)的(de)(de)(de)(de)冷(leng)軋變形(xing)量、硬度(du)(du)和(he)中(zhong)(zhong)間(jian)退(tui)火溫(wen)(wen)度(du)(du)的(de)(de)(de)(de)關(guan)系(xi)。圖(tu)3-4-21系(xi)此合(he)金(jin)退(tui)火溫(wen)(wen)度(du)(du)和(he)硬度(du)(du)的(de)(de)(de)(de)關(guan)系(xi)。為了保(bao)(bao)證此合(he)金(jin)焊后(hou)在鹽酸、硫(liu)酸等苛刻(ke)介質中(zhong)(zhong)的(de)(de)(de)(de)耐蝕性(xing)(xing),建議焊后(hou)再進(jin)行(xing)一次固(gu)溶(rong)處(chu)(chu)理。


圖 4-20.jpg


八、應用


 0Mo28Ni65Fe5、Hastelloy B 合(he)金可生(sheng)產板材(cai)(cai)(cai)、管材(cai)(cai)(cai)(焊(han)管)、絲材(cai)(cai)(cai)、帶材(cai)(cai)(cai)、鍛(duan)件和(he)(he)鑄件。主要用(yong)途(tu)是耐(nai)鹽酸腐蝕(shi)。同時,耐(nai)濕(shi)HC1氣(qi)體,耐(nai)硫酸、磷酸的性能也是很好的。因此,0Mo28Ni65Fe5 合(he)金多用(yong)于制(zhi)造(zao)耐(nai)上述介質的容器及(ji)其襯里、管道、塔槽、泵、閥等。此外,0Mo28Ni65Fe5 合(he)金的超薄帶和(he)(he)極細絲制(zhi)造(zao)電子管的陰極材(cai)(cai)(cai)料(liao)也取得滿意結(jie)果。