香蕉视频app破解码

鐵素體不銹鋼 |Ferritic stain less steel

鐵(tie)(tie)素(su)體不(bu)(bu)銹(xiu)鋼(gang)(gang)(gang)(gang)(gang)(gang)在(zai)加熱(re)冷卻時都沒(mei)有α'γ'轉變,始終保持鐵(tie)(tie)素(su)體組(zu)織。這類鋼(gang)(gang)(gang)(gang)(gang)(gang)含鉻量較高(gao),為17%~28%,主(zhu)要(yao)是(shi)作(zuo)為熱(re)穩定(ding)鋼(gang)(gang)(gang)(gang)(gang)(gang),也可作(zuo)為耐蝕(shi)鋼(gang)(gang)(gang)(gang)(gang)(gang)。鐵(tie)(tie)素(su)體不(bu)(bu)銹(xiu)鋼(gang)(gang)(gang)(gang)(gang)(gang)由于不(bu)(bu)含鎳(nie),生產制造成本(ben)(ben)要(yao)比(bi)奧(ao)氏體不(bu)(bu)銹(xiu)鋼(gang)(gang)(gang)(gang)(gang)(gang)低(di),但(dan)其熱(re)穩定(ding)性(xing)(xing)和耐蝕(shi)性(xing)(xing)在(zai)有些情況下,比(bi)奧(ao)氏體不(bu)(bu)銹(xiu)鋼(gang)(gang)(gang)(gang)(gang)(gang)還要(yao)好,特(te)別是(shi)耐氯(lv)離子腐蝕(shi)。因(yin)此,大(da)力推廣(guang)鐵(tie)(tie)素(su)體不(bu)(bu)銹(xiu)鋼(gang)(gang)(gang)(gang)(gang)(gang)的(de)應用,不(bu)(bu)但(dan)可以降低(di)成本(ben)(ben),而且(qie)還能節約寶(bao)貴的(de)鎳(nie)資源。這樣(yang)看來,使(shi)(shi)用鐵(tie)(tie)素(su)體不(bu)(bu)銹(xiu)鋼(gang)(gang)(gang)(gang)(gang)(gang)不(bu)(bu)僅可以節約鎳(nie),而且(qie)還是(shi)在(zai)許多(duo)特(te)殊使(shi)(shi)用環(huan)境中(zhong)的(de)最佳(jia)選(xuan)材。

產品分類 / 用途

0Cr11Ti(409)、 022Cr11Ti、(409L)

(0Cr11Ti)409不銹鋼、(022Cr11Ti )409L不銹鋼是低鉻香蕉視頻app破解碼:鐵素體不銹鋼中(zhong)的一種,鉻含量10.5%~11.75%。它(ta)們(men)具(ju)有良好的成型(xing)性(xing),經(jing)濟(ji)性(xing),耐蝕(shi)性(xing),抗氧(yang)化性(xing)等綜合(he)性(xing)能。它(ta)們(men)的典型(xing)用途是汽車排氣(qi)系(xi)統相關部件。


一、化學成分


(0Cr11Ti)409不銹鋼、(022Cr11Ti )409L不銹鋼的化學成分見表2-1。


1.jpg


 Cr11Ti 不(bu)銹(xiu)鋼由于含鉻低(di),低(di)碳,氮又加Ti,所以在鐵素體不(bu)銹(xiu)鋼中強(qiang)度相對(dui)較(jiao)低(di),延伸率(lv)相對(dui)較(jiao)高(gao)。


四、耐蝕(shi)性


(0Cr11Ti)409不銹鋼、(022Cr11Ti )409L不銹鋼在比較弱的腐蝕環境中,如大氣和淡水中有著優異的耐蝕性。在含微量HCl的沸騰溶液中它們的腐蝕率較(0Cr13)410不銹鋼,(00Cr13)410L不銹鋼 低,也較0Cr17鋼低,有著較寬的耐酸界限,(見圖2-1)。在模擬汽車消音器冷凝液的環境下,鋼的腐蝕率隨Cr量增加而降低,當Cr≥11%,腐蝕率降到非常低(見圖2-2)。因此,(0Cr11Ti)409不銹鋼、(022Cr11Ti )409L不銹鋼已在現代汽車排氣系統中代替鍍Al鋼,得到廣泛應用。


圖 1.jpg


五、抗氧(yang)化性


(0Cr11Ti)409不銹鋼、(022Cr11Ti )409L不銹鋼有著比軟鋼更為優異的高溫抗氧化性,斷續高溫使用溫度為815℃,連續使用為675℃。Cr11Ti鋼,由于含Cr量較低,在900℃大氣中100小時連續加熱通常會發生氧化,所以此鋼在過于苛刻的氧化條件不宜使用。圖2-3示出,在含3%水分1000℃氧氣氛圍中進行氧化試驗的結果。0Cr13(410不銹鋼)鋼5小時多就發生異常的氧化,氧化增量急劇增加,與之相比含0.2%Al的0Cr12(405不銹鋼)鋼初期氧化增量較低,而經過10小時后也加速氧化,圖中00Cr11Ti(Cr11.9%,Ti0.7%)材料較0Cr13Al(405不銹鋼),00Cr13(410L不銹鋼)抗氧化性好,而加入1.5%Si和加B鋼表現出最好的抗氧化性。


六、冷(leng)熱加工和熱處理


 (0Cr11Ti)409不銹鋼、(022Cr11Ti )409L不銹鋼開始熱加工溫度為1100~1150℃,卷取溫度~600℃,熱軋帶坯在罩式爐退火830~870℃ 8小時。


   冷軋(ya)帶(dai)在(zai)冷線(xian)(xian)或混線(xian)(xian)的連續退(tui)火酸(suan)洗線(xian)(xian)上(shang)處理,熱處理控制在(zai)860℃±10℃。


七、成型(xing)性


 (0Cr11Ti)409不銹鋼、(022Cr11Ti )409L不銹鋼的成型性較奧氏體不銹鋼和軟鋼差些,但是在鐵素體不銹鋼中是最優異的。可進行相當程度的成型加工。評價沖壓成型有兩大要素,即深拉伸性和脹形性。


  a. 深拉伸性

 

   深拉伸性與鋼板的結構有關。022Cr11Ti,由于低碳,氮又加Ti,鋼板平行軋制面{111}較發達,因此y值較高,深拉伸性較好,圖2-4指出Ti含量對低C,NCr13鐵素體不銹鋼γ值的影響,Ti加入量為(C+N)的10倍以上時γ值最好。


圖 4.jpg

  b. 脹(zhang)形(xing)性(xing)


   脹(zhang)形(xing)(xing)性是以延(yan)伸率和n值為指標(biao)的(de),它受鋼的(de)合(he)金元素(su)(su)的(de)含量(liang)(liang)和純度(du)的(de)影響,Cr、C及其(qi)他元素(su)(su)含量(liang)(liang)愈低,純凈度(du)愈高(gao),脹(zhang)形(xing)(xing)性愈好。低Cr鐵素(su)(su)體不銹鋼本(ben)質(zhi)上Cr就低,對延(yan)伸率是有利的(de),因(yin)此(ci)以Cr11為基,再降低不純物元素(su)(su)含量(liang)(liang)并加入微量(liang)(liang)Ti,必然具有較好的(de)脹(zhang)形(xing)(xing)性并兼備極好的(de)深(shen)拉伸性。


3.jpg


   表2-3示出00Cr13(410L不銹鋼)、022Cr11Ti(409L不銹鋼)成型性試驗值,其成型性是良好的,特別是022Cr11Ti,γ 值,Eγ值 CCV 值及擴孔比都好。圖2-5給出022Cr11Ti、0Cr17鋼板的成形極限,022Cr11Ti比0Cr17大得多。


圖 5.jpg


八、焊接性


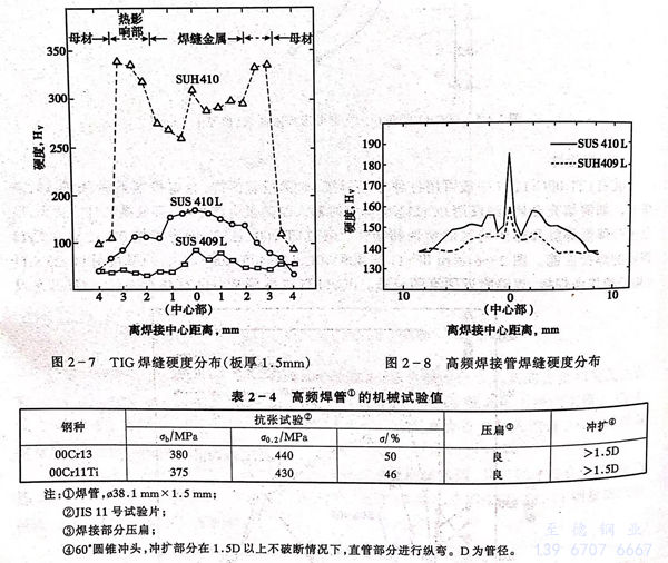
 (0Cr11Ti)409不銹鋼、(022Cr11Ti )409L不銹鋼一般可用各種方法焊接,如鎢極氬弧焊,金屬極氬弧焊,電阻焊,點焊等。如需填充金屬,建議用0Cr11Nb,焊接時輸入的熱量應該小些,避免晶粒過分長大,以免過分降低焊縫和熱影響區的塑性和韌性。0Cr11Ti,00Cr11Ti鋼有著較0Cr13Al、00Cr13鋼好的焊接性能。圖2-6示出0Cr11Ti(409),0Cr3A1(405),0Cr13(410)厚板用0Cr23Ni11(309)型焊條焊接,焊縫附近硬度的分布。0Cr11Ti焊縫附近,HAZ(熱影響區)硬度幾乎沒有變化,沒有馬氏體生成,僅由于高溫下單相鐵素體晶粒粗化,所以022Cr11Ti 不(bu)銹鋼厚(hou)板焊接加工時,應盡量減小輸入熱量,避免晶粒長大引起HAZ破裂。圖2-7示出板厚1.5mm焊接,焊縫附近硬度分布,022Cr11Ti(409L)焊縫金屬和熱影響區是鐵素體單相,硬度幾乎沒有變化,因此,薄板焊縫加工性能優異。圖2-8示出022Cr11Ti(409L)汽車排氣管高頻焊,焊縫附近硬度分布,焊縫中心由于加壓變形較周邊硬度略有升高。高頻焊與電弧焊不同,幾乎看不出溶融凝固處。高頻不銹鋼(gang)焊(han)管性能示于表2-4,有著優異的延伸率和加工性,用作排氣管等加工無特殊困難。


圖 6.jpg  圖 7.jpg


九、用途


(0Cr11Ti)409不銹鋼在不銹鋼中耐蝕性和抗氧化性屬于較低水平,但是與軟鋼比較,它具有優異的耐蝕性、抗氧化性,成型性,良好焊接性,而且價格低廉,因此被廣泛應用于汽車排氣系統中,如消音器、尾氣管、觸煤轉換器的殼等。最近為提高排氣凈化效率和輕量化,原來使用鑄鐵制造的排氣管也使用(022Cr11Ti )409L不銹鋼。另外,貯藏器和冷水罐等焊接構件和器物也大量采用(022Cr11Ti )409L不銹鋼。還有煤氣燃燒噴咀等需深拉伸成形部件也大量采用(022Cr11Ti )409L不銹鋼。