香蕉视频app破解码

沉淀硬化不銹鋼 |PH stainless steel

沉(chen)淀硬(ying)化(hua)(hua)(hua)不(bu)(bu)銹(xiu)鋼是一類含沉(chen)淀硬(ying)化(hua)(hua)(hua)元素(Cu、Al、Ti、Nb)的(de)鐵鉻(ge)鎳合(he)金(jin),可以通(tong)過熱(re)處理(li)強(qiang)化(hua)(hua)(hua),此類鋼具(ju)有高(gao)強(qiang)度、足夠(gou)的(de)韌(ren)性(xing)和(he)適宜的(de)耐蝕性(xing)。主要(yao)應(ying)用于宇航工(gong)業和(he)一些高(gao)技術產(chan)業。 沉(chen)淀硬(ying)化(hua)(hua)(hua)不(bu)(bu)銹(xiu)鋼可區分為馬(ma)氏(shi)(shi)體(ti)(ti)(ti)、半奧(ao)氏(shi)(shi)體(ti)(ti)(ti)和(he)奧(ao)氏(shi)(shi)體(ti)(ti)(ti)沉(chen)淀硬(ying)化(hua)(hua)(hua)不(bu)(bu)銹(xiu)鋼三(san)種主要(yao)類型,近(jin)年來又出現了鐵素體(ti)(ti)(ti)沉(chen)淀硬(ying)化(hua)(hua)(hua)不(bu)(bu)銹(xiu)鋼。在(zai)馬(ma)氏(shi)(shi)體(ti)(ti)(ti)沉(chen)淀不(bu)(bu)銹(xiu)鋼中,基于馬(ma)氏(shi)(shi)體(ti)(ti)(ti)時效鋼的(de)經驗,近(jin)年來出現了馬(ma)氏(shi)(shi)體(ti)(ti)(ti)時效不(bu)(bu)銹(xiu)鋼,與前(qian)者(zhe)比較(jiao),后者(zhe)碳含量(liang)較(jiao)低,其強(qiang)化(hua)(hua)(hua)手段主要(yao)是靠金(jin)屬間化(hua)(hua)(hua)合(he)物析出,且熱(re)處理(li)簡單。

產品分類 / 用途

0Cr15Ni25MoTiA1VB、A-286

 0Cr15Ni25MoTiA1VB、A-286 不銹鋼是一種采用生成金屬間化合物Ni3(Al、Ti)、Ni3(TiAl)強化的奧氏體沉(chen)淀(dian)硬(ying)化不銹鋼。此鋼主要用于小于705℃的工作環境下,要求具有高強度和優良耐蝕性的部件或設備。0Cr15Ni25MoTiA1VB鋼具有高的缺口強度,超過與之可比的任何商業合金。在溫度低于980℃的抗氧化性能相當于310S不銹(xiu)鋼。在時效條件下,此鋼的屈服強度水平可達600MPa。



一、化(hua)學成(cheng)分


0Cr15Ni25MoTiA1VB、A-286 不銹鋼的化學成分(fen)見表5-115。


115.jpg



二、室溫(wen)力學性能


  標準所規(gui)定的(de)室溫力(li)學性能指標見表5-116。


116.jpg


  不(bu)同熱處理狀態的(de)0Cr15Ni25MoTiA1VB、 A-286 不(bu)銹(xiu)鋼的(de)典型室溫力學(xue)性能見表5-117。


117.jpg


  淬火的(de)(de)冷卻速度(du)對(dui)經(jing)時效的(de)(de)0Cr15Ni25MoTiA1VB、A-286 不銹(xiu)鋼的(de)(de)室溫力學性(xing)能(neng)的(de)(de)影響見表5-118。


118.jpg


  鋼的(de)沖擊性(xing)能和溫度之間的(de)關系見表5-119。


119.jpg



三、疲勞和斷(duan)裂韌(ren)性


  0Cr15Ni25MoTiA1VB、A-286 不銹鋼(gang)的疲勞裂紋擴(kuo)展速(su)率見圖5-32。


120.jpg


  用J- 積(ji)分方(fang)法獲得(de)的斷裂(lie)韌性見表 5-120 



四(si)、高溫力學性(xing)能


    Φ22mm棒(bang)材,經(jing)980℃×1h油淬(cui)后,再經(jing)718℃時(shi)效(xiao)16小時(shi)后空冷(leng)的(de)0Cr15-Ni25MoTiA1VB的(de)高溫(wen)瞬時(shi)拉伸(shen)(shen)性能(neng)見表5-121。薄板的(de)高溫(wen)拉伸(shen)(shen)性能(neng)見圖5-33。淬(cui)火冷(leng)卻(que)速度對鋼的(de)高溫(wen)拉伸(shen)(shen)性能(neng)的(de)影響見表5-122。


121.jpg


   0Cr15Ni25MoTiA1VB、A-286 不銹(xiu)鋼的高溫缺口強(qiang)度見(jian)圖5-34。


圖 34.jpg


  0Cr15Ni25MoTiA1VB、A-286 不銹鋼的(de)高(gao)溫承載(zai)(bearing)強度以及高(gao)溫時效(xiao)對(dui)承載(zai)(bearing)強度的(de)影響見圖5-35和圖5-36。


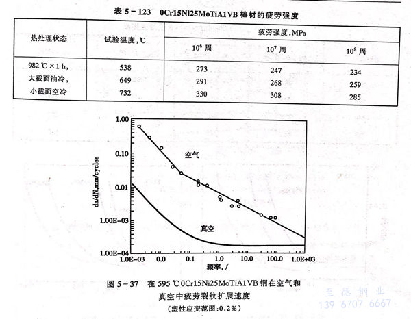
   0Cr15Ni25MoTiA1VB、 A-286 不銹鋼的(de)高溫疲勞性能見表 5-123 。裂(lie)紋擴展速率見圖 5-32 和(he) 圖 5-37 。


123.jpg


  0Cr15Ni25MoTiA1VB、A-286 不銹(xiu)鋼的持久(jiu)強度見圖 5-38 。


圖 38.jpg


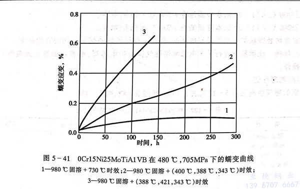
   0Cr15Ni25MoTiA1VB、A-286 不(bu)銹(xiu)鋼(gang)不(bu)銹(xiu)鋼(gang)的(de)蠕變(bian)行為見表 5-124 和 圖 5-39至(zhi)圖 5-41 。


124.jpg

圖 41.jpg


  不同熱處理(li)狀態的(de)0Cr15Ni25MoTiA1VB、A-286 不銹鋼的(de)高溫硬度見(jian)表(biao) 5-125 和(he) 表(biao) 5-126 。


125.jpg



五、耐蝕性


  0Cr15Ni25MoTiA1VB、 A-286 不銹鋼鋼的耐蝕性優于0Cr15Ni17Mo2A1,在還原性酸性介質中接近于316不銹(xiu)鋼。在航空發動機的服役環境,在直到704℃的條件均具有優異的耐蝕性。其抗氧性能相當于310S不銹鋼。




六(liu)、工(gong)藝性能


  a. 熱加工(gong)


   鋼的熱加工溫度范圍為927~1121℃,最佳熱變形溫度為1038~1120℃,其變形抗力稍大于18-8型奧氏體(ti)不(bu)銹鋼


  b. 冷加(jia)工


   在固(gu)溶處理(li)狀態下,0Cr15Ni25MoTiA1VB、A-286 不(bu)銹(xiu)鋼可以進(jin)行滿(man)意(yi)的冷(leng)加工和(he)冷(leng)成形(xing),但較316不(bu)銹(xiu)鋼 和(he)310S不(bu)銹(xiu)鋼硬,加工硬化(hua)速(su)度亦較快。


  c. 熱處理


  此鋼可(ke)采用(yong)兩種(zhong)固溶處(chu)理制度,時(shi)效處(chu)理溫度為(wei)704~730℃時(shi)效時(shi)間為(wei)12~18h。


   ①. 900℃×(1-2)h,水冷(leng)或油(you)冷(leng)+730℃×16h,空冷(leng)。


   ②. 980℃×(1-2)h,水冷(leng)(leng)或(huo)油冷(leng)(leng)+730℃×16h,空(kong)冷(leng)(leng)。


  前(qian)者熱處(chu)理狀(zhuang)態(tai)可獲得最好的(de)強(qiang)度(du)(du),后者可獲得最好的(de)塑韌性和較高的(de)硬度(du)(du)。


 d. 焊接


  此鋼易于進(jin)行手工電(dian)弧和惰性氣體保護電(dian)弧焊,推薦在(zai)固(gu)溶處理條件下進(jin)行焊接操作。



七、物理性能


 0Cr15Ni25MoTiA1VB、A-286 不銹鋼的(de)物理性能見表5-127,表5-128和圖5-42、圖5-43。



八(ba)、應用


 0Cr15Ni25MoTiA1VB、A-286 不銹鋼注(zhu)意應用于(yu)宇(yu)航工業(ye)高溫耐蝕部(bu)件,如發(fa)動(dong)機轉(zhuan)輪、葉(xie)片、骨(gu)架、加力(li)燃燒室部(bu)件和(he)螺栓等。