香蕉视频app破解码

沉淀硬化不銹鋼 |PH stainless steel

沉淀(dian)(dian)硬(ying)(ying)化不銹(xiu)(xiu)(xiu)(xiu)鋼(gang)(gang)是(shi)一類含(han)沉淀(dian)(dian)硬(ying)(ying)化元素(su)(Cu、Al、Ti、Nb)的(de)(de)鐵鉻(ge)鎳合(he)金(jin),可以通過(guo)熱處理(li)強化,此類鋼(gang)(gang)具(ju)有高(gao)強度、足(zu)夠的(de)(de)韌性(xing)和(he)適宜(yi)的(de)(de)耐蝕性(xing)。主要(yao)應(ying)用于宇航工業和(he)一些高(gao)技術(shu)產業。 沉淀(dian)(dian)硬(ying)(ying)化不銹(xiu)(xiu)(xiu)(xiu)鋼(gang)(gang)可區分為馬(ma)氏(shi)體(ti)(ti)(ti)、半奧氏(shi)體(ti)(ti)(ti)和(he)奧氏(shi)體(ti)(ti)(ti)沉淀(dian)(dian)硬(ying)(ying)化不銹(xiu)(xiu)(xiu)(xiu)鋼(gang)(gang)三種主要(yao)類型,近(jin)年來又出(chu)現(xian)了(le)鐵素(su)體(ti)(ti)(ti)沉淀(dian)(dian)硬(ying)(ying)化不銹(xiu)(xiu)(xiu)(xiu)鋼(gang)(gang)。在馬(ma)氏(shi)體(ti)(ti)(ti)沉淀(dian)(dian)不銹(xiu)(xiu)(xiu)(xiu)鋼(gang)(gang)中,基于馬(ma)氏(shi)體(ti)(ti)(ti)時效鋼(gang)(gang)的(de)(de)經驗(yan),近(jin)年來出(chu)現(xian)了(le)馬(ma)氏(shi)體(ti)(ti)(ti)時效不銹(xiu)(xiu)(xiu)(xiu)鋼(gang)(gang),與前者(zhe)比較,后(hou)者(zhe)碳含(han)量較低,其(qi)強化手段主要(yao)是(shi)靠(kao)金(jin)屬間化合(he)物析出(chu),且熱處理(li)簡(jian)單(dan)。

產品分類 / 用途

07Cr17Ni7Al、17-7PH、0Cr17Ni7Al


  07Cr17Ni7Al、17-7PH 不(bu)銹(xiu)鋼是一種半奧(ao)氏體香蕉視頻app破解碼:沉淀硬化不銹鋼。此鋼(gang)具有良好冶金和制造加工工藝性能。由于鋼(gang)的成分(fen)接近于18-8型(xing)香蕉視頻app破解碼:奧氏體不銹鋼,因此在固溶狀(zhuang)(zhuang)態下仍(reng)保留(liu)奧氏體(ti)組織,便于(yu)加工成形,此時(shi)的組織處(chu)于(yu)亞(ya)穩定(ding)狀(zhuang)(zhuang)態,隨后經調整處(chu)理和(he)時(shi)效可(ke)獲得所需(xu)強(qiang)度(du)和(he)韌(ren)性,其強(qiang)度(du)水平可(ke)達(da)1600MPa。鋼中含有(you)(you)17%Cr并含有(you)(you)大量的Ni,使其具有(you)(you)足夠的耐蝕性和(he)不(bu)銹性,大體(ti)上相當和(he)接(jie)近于(yu)18-8型香蕉視頻app破解碼:不銹鋼的(de)水(shui)平。(0Cr17Ni7Al) 17-7PH 不(bu)銹鋼(gang)可用(yong)于(yu)350℃以下長期工作的(de)不(bu)銹鋼(gang)結(jie)構件、容器(qi)、管道、彈簧、膜片等。鑒于(yu)該(gai)鋼(gang)熱處理工藝復(fu)雜,在全世界范圍內有(you)被馬(ma)氏(shi)體時效不(bu)銹鋼(gang)取(qu)代的(de)趨勢,但目(mu)前仍具(ju)有(you)廣泛應用(yong)的(de)領域。


 舊國標:0Cr17Ni7Al   新國(guo)標:07Cr17Ni7Al  美標:S17700、631、17-7PH



一(yi)、化學成分


 07Cr17Ni7Al、17-7PH 不銹鋼的化學(xue)成分(fen)見表5-66。


66.jpg


二、室溫力學(xue)性能


  不(bu)同標(biao)準所規定的(de) 07Cr17Ni7Al、17-7PH 不(bu)銹(xiu)鋼的(de)室溫力(li)學性能標(biao)準見表5-67。


67.jpg


  07Cr17Ni7Al、17-7PH 不銹鋼的室溫(wen)力(li)學性能見(jian)表 5-68,熱處理制度對其(qi)室溫(wen)力(li)學性能的影響見(jian)圖 5-15至5-18 。


68.jpg

圖 16.jpg



三(san)、疲勞和(he)斷裂韌性


  07Cr17Ni7Al、17-7PH 不銹鋼的疲(pi)勞性能見表(biao)(biao)5-69。斷裂韌性和應力腐(fu)蝕門檻值見表(biao)(biao)5-70。


圖 18.jpg



四、高溫力學性能(neng) 


 07Cr17Ni7Al、17-7PH 不銹鋼(gang)高溫瞬時拉伸(shen)性能(neng)見表 5-71 。


71.jpg

 鋼的(de)持久強度和蠕變(bian)強度見表(biao) 5-72 。


72.jpg



五、低溫(wen)力學(xue)性能


 07Cr17Ni7Al、17-7PH 不(bu)銹鋼的低溫沖擊和(he)拉伸性能見圖5-19和(he)圖5-20。


圖 19.jpg


六(liu)、耐蝕性(xing)


  07Cr17Ni7Al、17-7PH 不銹(xiu)鋼(gang)的耐蝕性介于18-8鋼(gang)和馬氏體(ti)不銹(xiu)鋼(gang)之(zhi)間,一些耐蝕性數(shu)據見(jian)表5-73,耐應力腐蝕性能見(jian)表5-70。


73.jpg



七、工藝性能


 a. 熱加(jia)工(gong) 


   最高加熱溫度(du)1150℃,鋼坯或鋼錠裝爐溫度(du)不應高于600℃,開始熱加工(gong)溫度(du)1100℃,終(zhong)加工(gong)溫度(du)≥950℃,冷卻方式為空冷。


 b. 冷加(jia)工 


 07Cr17Ni7Al、17-7PH 不銹鋼的(de)加工硬化傾(qing)向較(jiao)大(da),在冷(leng)軋、冷(leng)拉拔(ba)或沖壓時,宜采用少道次大(da)變形量(liang)并(bing)增加固溶(rong)處理(li)道次。


 c. 熱處理 


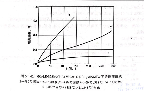
  此鋼熱處(chu)理(li)工藝(yi)較復雜,可(ke)參(can)照(zhao)圖(tu)5-41執行。根(gen)據實(shi)際需求,可(ke)靈活選擇熱處(chu)理(li)工藝(yi),以達到對(dui)強度(du)和韌(ren)性的(de)要求。


圖 41.jpg


  對于薄(bo)壁零件(jian),如殼體、筒(tong)體等宜采(cai)用TH1050工藝,因(yin)為這種工藝不需要將(jiang)已成(cheng)形(xing)的(de)(de)零部件(jian)進行高溫調整處(chu)理,從而避免了部件(jian)的(de)(de)氧化和變形(xing)。


  對于棒材宜(yi)選用(yong)RH950工藝,使(shi)其可獲得強(qiang)度和韌性的最(zui)佳(jia)配合。


  彈性元件采(cai)用(yong)CH900為宜,此工藝比較簡單,利(li)用(yong)冷(leng)拔或(huo)冷(leng)扎(zha)產品(pin)進行成形(xing)加工,而后進行低溫時效,即可獲得(de)滿意(yi)的(de)產品(pin)性能水平。


  為(wei)了降低缺口敏感性(xing)和(he)改善鋼的(de)耐應力腐蝕性(xing)能,可采用過時(shi)效處(chu)理(li)工(gong)藝,盡管(guan)強度水平有(you)所降低,但綜(zong)合性(xing)能得到(dao)提高。


 d. 焊(han)接 


 07Cr17Ni7Al、17-7PH 不銹(xiu)鋼(gang)可(ke)進(jin)(jin)行電弧焊(han)(han)(han)或電阻(zu)焊(han)(han)(han),惰性(xing)氣體保護焊(han)(han)(han)是最佳工藝方法(fa),可(ke)避免氧化和(he)減少鋁的(de)燒損,以(yi)利提高接(jie)頭效(xiao)率。該鋼(gang)通(tong)常在固溶(rong)狀(zhuang)態下(xia)焊(han)(han)(han)接(jie),焊(han)(han)(han)前不必預(yu)熱,但焊(han)(han)(han)后(hou)最好固溶(rong)處理,而后(hou)按實際(ji)需求進(jin)(jin)行處理。焊(han)(han)(han)縫強度可(ke)達(da)到基(ji)體強度的(de)94%~100%(見表5-74),充填(tian)金屬同母材。此鋼(gang)亦可(ke)進(jin)(jin)行釬焊(han)(han)(han),焊(han)(han)(han)料為銀一鋰(li),在900~940℃氬氣下(xia)進(jin)(jin)行焊(han)(han)(han)接(jie),焊(han)(han)(han)后(hou)進(jin)(jin)行時效(xiao)處理。


74.jpg



八、物理性能


 07Cr17Ni7Al、17-7PH 不銹鋼的物理(li)性能見(jian)表 5-75 。


75.jpg



九、應(ying)用


  在(zai)航空工業中用(yong)于(yu)中溫承(cheng)力(li)件(jian)(jian),發動(dong)機反推裝置構(gou)件(jian)(jian),閥(fa)膜及(ji)不銹彈性元件(jian)(jian)。此外(wai)在(zai)國外(wai)廣(guang)泛(fan)應(ying)用(yong)航空薄壁結構(gou)件(jian)(jian)、各種容(rong)器(qi)、導管、閥(fa)膜、船軸(zhou)及(ji)壓氣機盤。在(zai)其他(ta)領域主(zhu)要用(yong)于(yu)不銹、耐蝕高強度結構(gou)件(jian)(jian),容(rong)器(qi),軸(zhou)類,彈簧等。